ENERGY APPROACH (ENERGY-COENERGY) (Electric Motors)

1.14
Another approach to determining forces and torque is through energy concepts. The principle of conservation is the basis for the application of the energy approach.
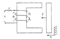
This section considers the idea of changes in stored field energy. As an introduction to the concept, consider a magnet core, as shown in Fig. 1.46, around which a winding has been placed. This is a single-energy-source system since only one input is involved and no mechanical movement occurs.
Around the loop, Kirchoff's voltage law suggests Eq. (1.482):
Magnetic core single-energy-source system.
FIGURE 1.46 Magnetic core single-energy-source system.
tmp56D-14_thumb
where vi is the instantaneous electrical power input. Integrating the energy expression yields the following:
tmp56D-15_thumb
Electrical energy input = electrical energy loss + electrical field energy. The electrical field energy at time T is as follows.
tmp56D-16_thumbFlux linkage versus current.
FIGURE 1.47 Flux linkage versus current.
Flux versus magnetizing force.
FIGURE 1.48 Flux versus magnetizing force.
tmp56D-19_thumb
Since mechanical motion is involved, an additional equation involving Newton's law of motion is required to describe the dynamics of the system. Before we pursue this analysis, it is very
informative to look at a graphical analysis which will give insight to the energy approach.
As previously shown, for the case in which the flux linkage is a function of the coil current i, only a two-dimensional plot is drawn (Fig. 1.46). However, because such a plot requires three dimensions, if we use a two-dimensional plot we now have a choice of considering constant current or constant flux linkage, giving a graphical approach to assist in understanding the energy principles. In either case, our interest is in looking at changes in energy for an energy balance.
Let us first assume we will excite the coil shown in Fig. 1.49 with a constant-current source of magnitude i. Refer to Fig. 1.50 and note that five distinct areas are shown. Before the armature movement, the stored field energy area in Fig. 1.50 was C + D. If the armature now moves from x0 to x0 + Ax, the air gap decreases and a differential change in flux and flux linkage occurs. The additional energy supplied by the electrical circuit is as follows:
tmp56D-20_thumbElectromagnetic actuator.
FIGURE 1.49 Electromagnetic actuator.
Energy areas before and after movement.
FIGURE 1.50 Energy areas before and after movement.
The average force on the armature is as follows:
tmp56D-23_thumbtmp56D-24_thumbtmp56D-25_thumb
The usual test is to take i and x as independent variables, although the other choice can be made.
With i and x as independent variables
tmp56D-26_thumb
Substituting into the force equation Eq. (1.524) gives an important result that can be expanded to include not only translational systems but also rotational systems and multiexcited systems of P magnetic poles.
Summarizing without proof, these are as follows.
tmp56D-27_thumbtmp56D-28_thumb