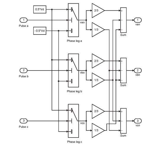
Simulink simulation of a simple three-phase voltage-fed inverter (Electronics And Motor Drives)

FIGURE 9.9
Simulink simulation of a simple three-phase voltage-fed invertertmp15E-4_thumb