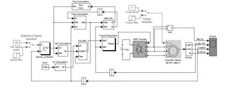
SimPowerSystems simulation of a vector-controlled induction motor drive (Electronics And Motor Drives)

FIGURE 9.18
SimPowerSystems simulation of a vector-controlled induction motor drivetmp15E-25_thumb