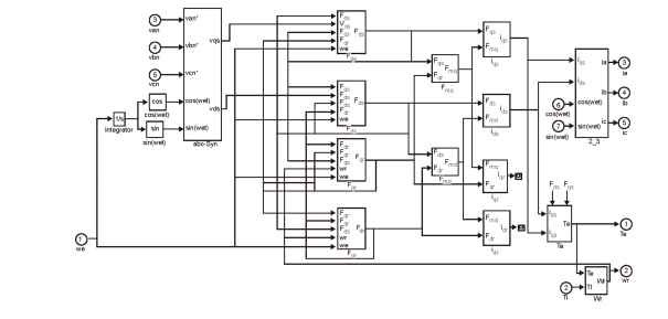
Simulation of the flux model for an induction motor (Electronics And Motor Drives)

FIGURE 9.14
Simulation of the de-cf flux model for an induction motor.tmp15E-16_thumbtmp15E-17_thumb