Crankshaft
In depth topic information.
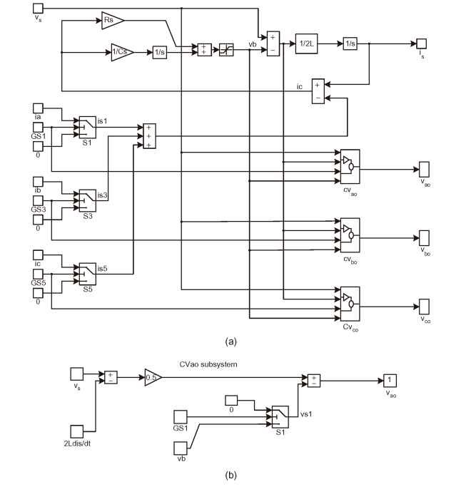
Simulink simulation of an ac-ac converter (Electronics And Motor Drives)
FIGURE 9.13
‹
›
Home
View web version